Company Technology Applications Contact Home
GEO2 Applications
CLM-based materials can improve catalyst performance. MORE>>

CLM-based materials can help enable low cost clean diesel at without compromises.  MORE>>

CLM-based filters can survive the harsh environment of two-stroke engines and enable clean low cost transportation. MORE>>

CLM-based substrates combine high permeability with high filtration efficiency to suit many difficult filtration applications MORE>>

GEO2’s Cross Linked Microstructure (CLMTM) Technology Platform

GEO2 has developed a patented fiber based ceramic honeycomb using industry standard extrusion processes. CLM based materials are extruded into high temperature, high porosity cellular ceramic substrates for filtration and catalytic conversion applications. The Company concentrates its development efforts on high cell density ceramic substrates for diesel exhaust filtration.

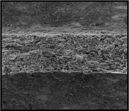
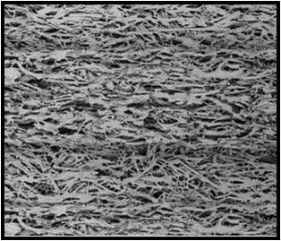
Generally the rule with ceramic filters is that high porosity results in a decrease in strength and a decrease in trapping efficiency. GEO2’s microstructure breakthrough is based on our ability to combine high porosity and high strength while maintaining high trapping efficiency and delivering lower back pressure.  In fact, we can offer 20 points higher porosity – 65 percent porosity compared to traditional filters at 45 percent porosity – while delivering comparable strength and filtration efficiency.

Our CLM-based filters look more like what you would expect to see in typical low temperature filter media for air or water such as in a clothes dyer or coffee maker.  Fibers have long been the filter media material of choice, except in high temperature ceramics where GEO2’s patented fiber-based extruded honeycombs are the first. The fibrous interconnected pore structure of CLM filters allows air to flow easily through the material, whereas traditional high temperature filters are powder-based with more restrictive flow paths. In addition, the overlapping fiber structure provides uncompromised strength and trapping efficiency even at high porosity.

Mullite CordieriteSilicon Carbide
Alumina Low CTE Oxide Composite Carbon

 

 

The Company’s mastery of CLM based materials allows it to control pore size, porosity, permeability, and the micro- and macro-geometry to best suit the application.

Product configurations include 100 to 400 cells per square inch honeycombs (flow-through and wall-flow) with wall thickness between 10 and 50 mils. GEO2’s cell structure is flexible and includes squares, circles and triangles. Products are compatible with existing matting and canning procedures used in the industry.

 

 
Company | Technology | Applications | Contact | Home | Site Map | Top
Home